GD3W(A)矿用本安型(无线)温振传感器
产品概述GD3W(A)矿用本安型温度振动传感器是一款由高能锂电池供电,具有无线通讯功能,可采集温度和振动的一款高性能、低功耗、抗干扰和复合型多参数无线传感器。
咨询电话:
17615012720 18525579062
产品介绍:
特点 可测量多种参数 无线通讯距离远≤100m(LORA) 采用高性能MEMS芯片,测量精度高,抗干扰能力强 高能锂电池供电,待机时间长 低功耗设计,静态电流可低达15uA 结构可靠,防爆性能好 产品说明 GD3W(A)矿用本安型温度振动传感器是一款由高能锂电池供电,具有无线通讯功能,可采集温度和振动的一款高性能、低功耗、抗干扰和复合型多参数无线传感器。该传感器采用进口铂电阻温度传感器作为测量元件,振动选用高性能的MEMS芯片嵌入开发,支持无线LORA输出。产品被广泛应用在煤矿、石油化工、冶金、发电等行业。产品通过无线通讯的方式,实现信号远距离传输,从而简化了安装方式、节约了客户的施工成本。
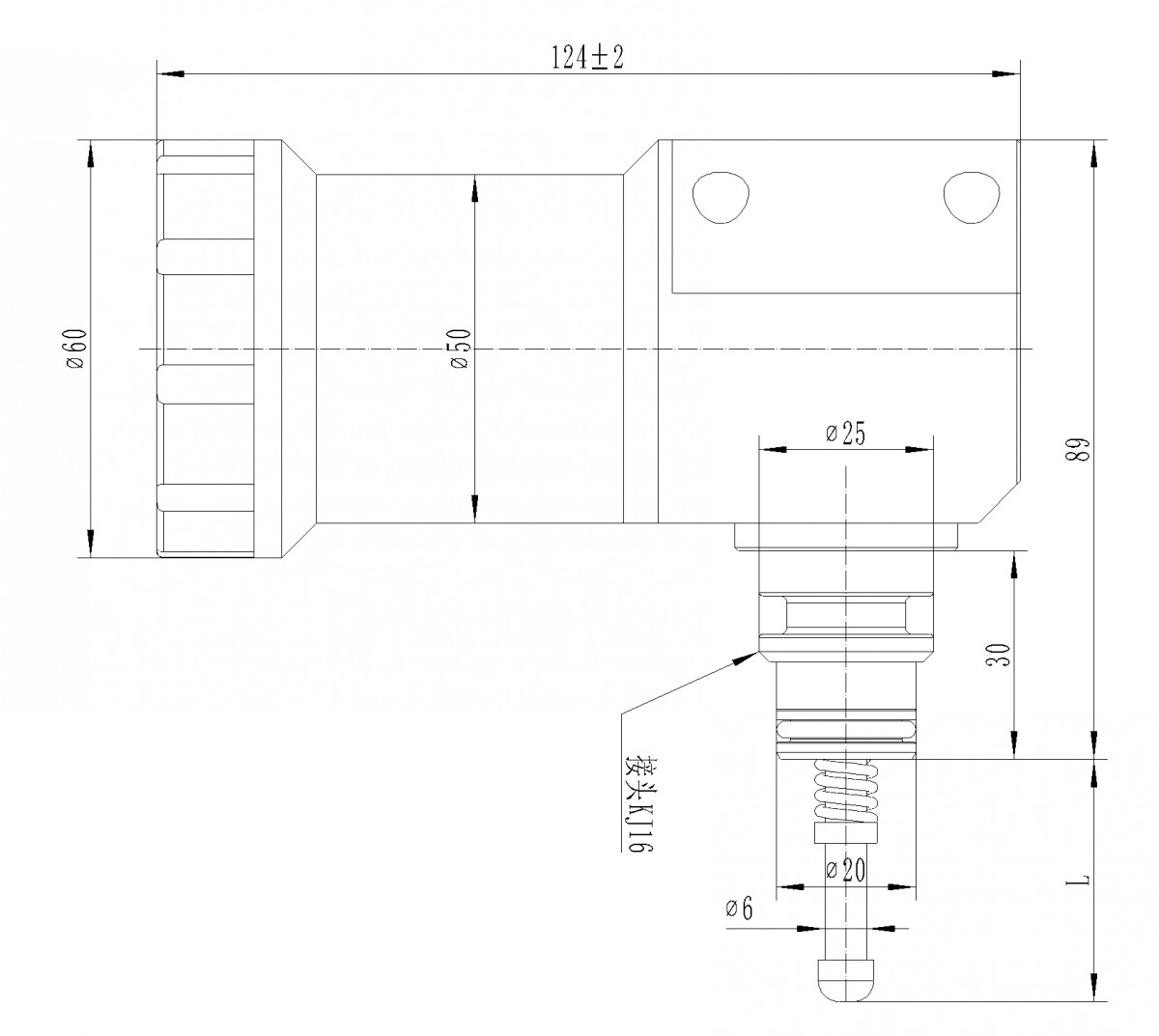
性能参数 参考温度:25℃ 注:特殊需求,请与生产商联系。 外形尺寸 ![]() 注:外形尺寸是示例,可以根据客户要求定制,详情咨询厂家。
注:特殊需求,请与生产商联系。 1、选型时请注意被测介质,产品与介质相接触的部分相兼容。 2、特殊要求,请与本公司商洽,并在订单中予以注明。 |




