产品介绍:
特点 可测量多种参数 采用高性能MEMS芯片,测量精度高,抗干扰能力强 抗振动、冲击、耐腐蚀 抗干扰设计、适合恶劣环境 高精度、高稳定性 结构可靠,防爆性能好 产品说明 GD3矿用本安型多参数传感器是一款可采集温度、压力和振动的高性能、低功耗、抗干扰和复合型传感器。该变传感器采用扩散硅芯体作为压力信号测量元件,温度采用进口铂电阻温度传感器作为测量元件,振动选用高性能的MEMS芯片嵌入式开发,支持RS485输出。产品被广泛应用在煤矿、石油化工、冶金、发电等行业,具有优秀的防爆功能。
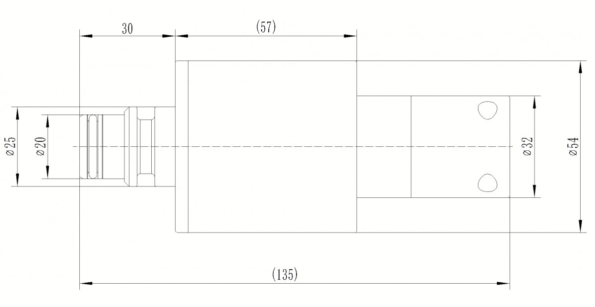
性能参数 参考温度:25℃ 注:特殊需求,请与生产商联系。 外形尺寸 ![]()
注:外形尺寸是示例,可以根据客户要求定制,详情咨询厂家。 接线定义及输出选项
注:特殊需求,请与生产商联系。 1、选型时请注意被测介质,产品与介质相接触的部分相兼容。 2、特殊要求,请与本公司商洽,并在订单中予以注明。 |





