产品特点 支持多种无线传输方式 24位高精度ADC采集 高能锂电池供电,待机时间长 低功耗,静态电流可低达15uA OLED显示 结构小巧,现场安装方便 产品说明 RC9205防爆型智能无线温度变送器是一款高能锂电池供电,具有无线通讯功能的温度监测智能仪表。该仪表采用进口铂电阻温度传感器作为测量元件,采用24位高精度AD转换器采集温度信号。支持多种无线:433、LORA、LORAWAN、GPRS、LTE、NBIOT、WIFI等。该产品应用领域是石油、化工、冶金、电站、轻工等场合,通过无线通讯的方式,实现信号远距离的无线传输从而简化了安装方式、节约了客户的布线成本,真正达到节能环保的目的。 RC9205防爆型智能无线温度变送器,产品技术条件和验证方法符合GB3836.1-2010《爆炸性环境第1部分设备通用要求》和GB3836.2-2010《爆炸性环境第2部分由隔爆外壳“d”保护的设备》的规定。 量程选择
注:特殊需求,请与生产商联系。 性能参数
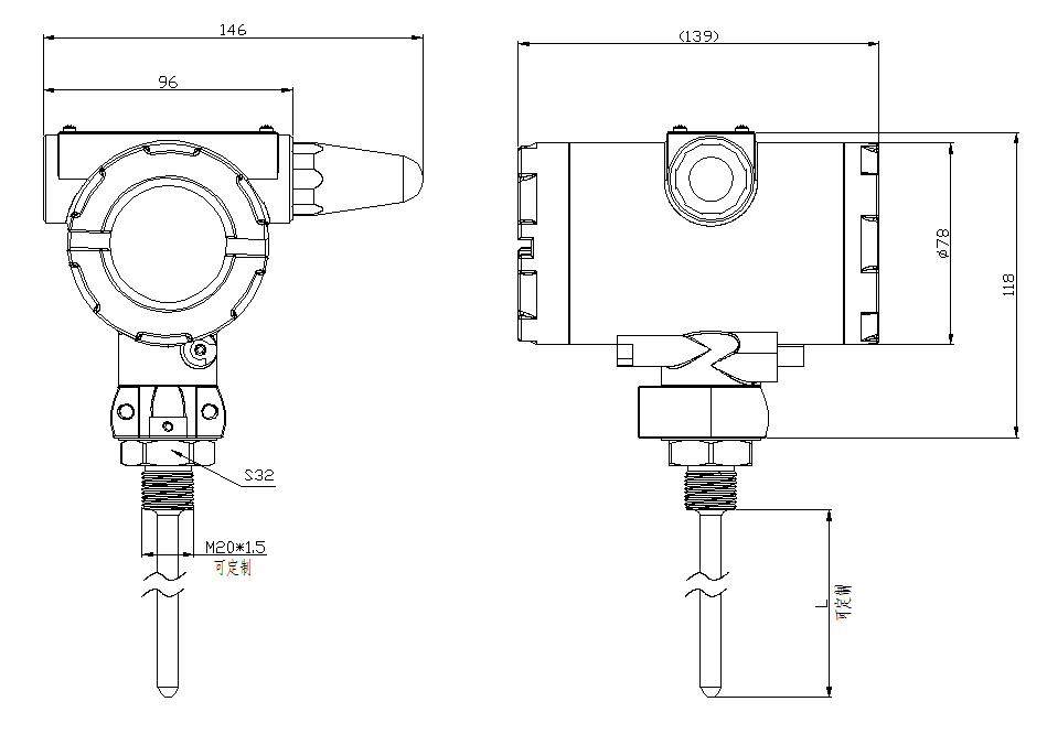
外形尺寸
注:特殊需求,请与生产商联系。 产品选型示例 示例的选型代码的含义如下:
举例:RC9205-[0-100]M-D-8-I-0-V4(RC9205防爆型无线温度变送器,温度范围0-100℃,输出433M,护管直径Φ8,安装方式固定螺纹M20*1.5,保护管插深100mm,内置电池) 注:1、选型时请注意被测介质,产品与介质相接触的部分相兼容。 2、特殊要求,请与本公司商洽,并在订单中予以注明。 安装指南 RC9205防爆型无线温度变送器安装方式: 螺纹安装或法兰安装。无线温度变送器设备也可以采取分体安装的方式进行安装。拆卸仪表时,不可对仪表壳体施力。不允许更换元器件或结构,以免影响防爆性能。压紧密封圈建议定期更换,以确保变送器可靠工作。 |


