RC2062压力变送器
产品概述RC2062压力变送器压力座采用17-4PH不锈钢单件一体式结构加工而成,一体化的不锈钢膜片使之过载性能远高于扩散硅、陶瓷等常用芯体,并且其压力接口无焊缝、无硅油或其他有机物,密封性能好。
咨询电话:
17615012720 18525579062
特点 不锈钢单件一体化结构,无O型圈 绝压 绝缘阻抗:≥100MΩ@250VDC 过载能力强 高可靠性和稳定性 工作温度范围宽 产品说明
RC2062压力变送器压力座采用17-4PH不锈钢单件一体式结构加工而成,一体化的不锈钢膜片使之过载性能远高于扩散硅、陶瓷等常用芯体,并且其压力接口无焊缝、无硅油或其他有机物,密封性能好。传感器敏感器件采用玻璃微熔技术牢固烧结在压力座上,使传感器耐高温、抗震动等性能大幅度提升,保证了变送器在工业恶劣环境中使用的长期稳定性、可靠性,经久耐用。在标准净化生产过程中,各项参数严格受控,整个产品经过了元器件、半成品及成品的严格测试及老化筛选,性能稳定可靠。
量程选择 ![]() 注:特殊需求,请与生产商联系。 性能参数
供电电源:3.3Vdc
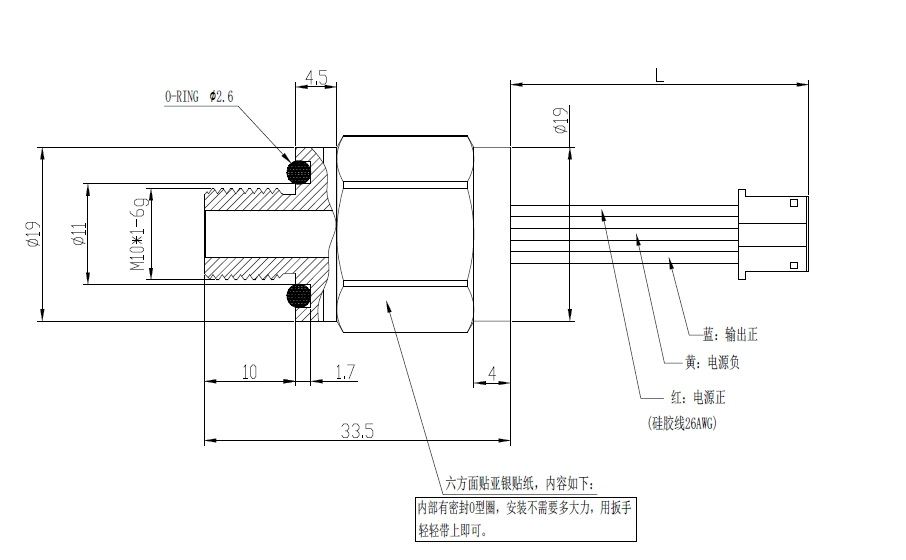
注:特殊需求,请与生产商联系。 外形尺寸 ![]()
注:特殊需求,请与生产商联系。 接线及输出方式
产品选型示例 示例的选型代码含义如下:
举例:RC2062-[0-1]M-X-C19-B2-V5-A (RC2062压力变送器,量程0-1MPa,0.5-2.5V输出,压力接口M10*1,电缆出线,3.3V供电, 绝压) |







