RC580L气体密度传感器
产品概述RC580L系列气体密度传感器,主要用于持续监测变电站高压电器设备内的气体密度,避免开关柜中的系统故障和网络中断。该产品通过监测气体的压力、温度值,计算出当前的气体密度。同时该气体密度传感器还可以补偿由热效应引起的压力变化,使其不会对输出值产生影响。
咨询电话:
17615012720 18525579062
特点 采用高精度微熔传感器技术 MODBUS® RTU 数字信号或 4…20mA 模拟信号 IP67 防护等级 具有长期的稳定性以及优异的电磁兼容性。 紧凑型设计 产品描述 RC580L系列气体密度传感器,主要用于持续监测变电站高压电器设备内的气体密度,避免开关柜中的系统故障和网络中断。该产品通过监测气体的压力、温度值,计算出当前的气体密度。同时该气体密度传感器还可以补偿由热效应引起的压力变化,使其不会对输出值产生影响。 RC580L系列密度传感器有两种输出信号:模拟4…20mA电流信号、数字RS485信号。适用于任何定义的气体混合物,包括 SF6、氮气、四氟化碳、氧气、二氧化碳、3M™ 、Novec™ 4710、氦气和氩气。 该产品采用微熔压力传感器技术,长期稳定性高,无需进行维护和再校验。同时,还采用了气密密封的焊缝和无密封元件的测量单元设计,可以确保测量单元的*密封。 为现有变电站改造、新建变电站提供智慧化解决方案。 应用范围 SF6 绝缘组合电器(GIS) SF6 绝缘断路器 SF6 绝缘互感器 SF6 绝缘母线系统 SF6 绝缘充气柜 SF6 绝缘环网柜 SF6绝缘柱上开关 SF6绝缘变压器 性能参数 数字输出量程
数字输出准确度
注:密度准确度仅限纯 SF₆ 气体和 6 % Novec 4710、5 % O₂ 和 89 % CO₂ 构成的气体混合物。 模拟输出量程及准确度
1) 适用于 -40 ... +80 °C [-40 ... +176 °F] 整个温度范围上的补偿压力测量参数;仅限于纯 SF₆ 气体。 过载安全和爆裂压力
工作参数
1) 例如出现瞬态压力尖峰 2) 接通电源后直到输出*个测量值的时间。 电气连接 数字输出的电气连接
圆形接头 M 12 x 1 金属(5 针)
模拟输出的电气连接 圆形接头 M 12 x 1 金属(5 针)
EMC 测试
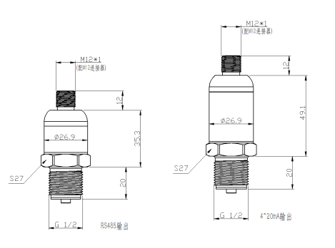
外形尺寸
注:以上螺纹是示例,特殊需求,请与生产商联系。 产品选型
举例:RC580L-[0-0.5]M-E-C1-B2-V1-A (RC580L六氟化硫密度变送器,压力范围0-0.5MPa,输出4-20mA,螺纹接口M20*1.5,M12 5芯连接器,24DC供电,绝压) 注:1、选型时请注意被测介质,产品与介质相接触的部分相兼容。 2、特殊要求,请与本公司商洽,并在订单中予以注明。
|






