工业压力变送器(2088壳体)
产品概述RC6203工业型压力变送器是我公司推出的一款高性能、低成本的工业用压力变送器。采用特殊结构设计和专门定制的放大电路,采用硅压阻式压力传感器,以其优越的性能、小巧的体积、长寿命、高性价比成为工业压力变送器的*品牌。典型应用:工业自动化控制
咨询电话:
17615012720 18525579062
特点 1.电子壳体为铝合金材料,外壳防护等级IP65 2.可配接LED、LCD显示表 3.高可靠性、高稳定性 4.过压过流保护,对环境适应性强 5.结构紧凑、安装方便 6.先进的抗干扰、防浪涌电路保护 7.卓越的抗冲击、抗过载、抗震动、耐腐蚀 产品说明 RC6203工业型压力变送器是我公司推出的一款高性能、低成本的工业用压力变送器。采用特殊结构设计和专门定制的放大电路,采用硅压阻式压力传感器,以其优越的性能、小巧的体积、长寿命、高性价比成为工业压力变送器的*品牌。典型应用:工业自动化控制。 RC6203工业型压力变送器采用铝合金材料电子壳体,保证了变送器在工业恶劣环境条件较为恶劣情况下,变送器必须考虑防雨、防雷、防腐防爆等要求,而且结构简单便于安装和结实牢固。在标准净化生产过程中,各项参数严格受控,整个产品经过了元器件、半成品及成品的严格测试及老化筛选,性能稳定可靠。
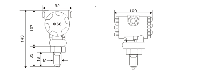
外形尺寸
接线定义及输出选项
产品选型示例 示例的选型代码含义如下:
举例:RC6203-[0-1]M-E-C1-B2-V1-G (RC6203工业型压力变送器(2088壳体),量程0-1MPa, E=4~20mADC输出,压力接口M20*1.5端面,电缆出线,24V供电, 表压) 注:特殊需求,请与生产商联系。 1、选型时请注意被测介质要与产品与介质相接触的部分相兼容。 2、需要零位压力为负压的变送器时,请在订货时注明量程范围。 3、特殊要求,请与本公司商洽,并在订单中予以注明。
|






