RC201 OEM型微熔压力传感器
产品概述RC201型压力传感器采用六方体与传感器芯体焊接的结构,有效的降低了传感器的整体高度和体积,简化了客户在生产变送器时的工艺流程,降低了生产成本。该款传感器分为补偿和非补偿两种,方便客户灵活选用。
咨询电话:
17615012720 18525579062
特点 OEM 芯体为一体化结构 无O型圈、无硅油 压力范围广 适应恶劣环境 过载能力强 工作温度范围宽 产品说明 RC201型压力传感器采用六方体与传感器芯体焊接的结构,有效的降低了传感器的整体高度和体积,简化了客户在生产变送器时的工艺流程,降低了生产成本。该款传感器分为补偿和非补偿两种,方便客户灵活选用。 RC201型压力传感器芯体(不含六方部分)采用17-4PH不锈钢单件一体式结构加工而成,具有优秀的过载性能,并且测量压力部分无焊缝、无硅油或其他有机物,密封性能好。传感器敏感器件采用玻璃微熔技术牢固烧结在压力座上,使传感器耐高温、抗震动等性能大幅度提升,保证了变送器在恶劣工业环境中使用的长期稳定性和可靠性,经久耐用。 量程选择
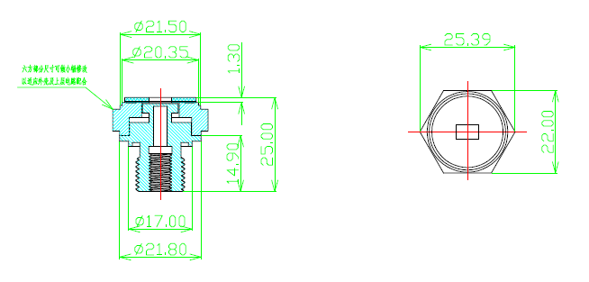
注:特殊需求,请与生产商联系。 性能参数 供电电源:3.3Vdc 参考温度:25℃ 注:特殊需求,请与生产商联系。 外形尺寸
注:外形尺寸是示例,可以根据客户要求定制,详情咨询厂家。 接线定义及输出选项
产品选型示例 示例的选型代码含义如下:
注:1、选型时请注意被测介质,产品与介质相接触的部分相兼容。 2、特殊要求,请与本公司商洽,并在订单中予以注明。
|





